|
- 溫度
- 大氣壓力
- 相對濕度
- 露點溫度
- 絕對濕度
- 比濕
- 混合比
- 比焓
- 3路二進制輸入
該系列溫度和濕度調節器專為兩線控制而設計的,例如加熱、通風、加濕、去濕 等。
傳感器上的兩個繼電器輸出端口是用于警報顯示和控制外部設備,每一個繼電器都可以分配任何一個測量值或計算值。
完整配備的傳感器包括溫溫度、濕度和壓力傳感頭。利用測量的溫度和相對濕度可以重新計算出其他濕度解釋-露點溫度、絕對濕度、比濕、混合比和特定焓。
讀數和壓力的輸出可以使用以下的單位:
hPa, kPa, mbar, mmHg, inHg, inH O, PSI, oz/in2 。 攝氏溫度和華氏溫度用戶自選。
它的一個優點是能夠用大屏雙行LCD同時顯示溫度,壓力,相對濕度以及其他濕度計算說明。各種參數很容易從調節器的鍵盤或者計算機得到調整。
而采用先進技術設計的電容性聚合體的傳感器能夠確保精良校準的長期穩定性、防水和抗壓。傳感器是專為非侵蝕性的環境而設計的。
傳感器可以選擇安裝三路二進制輸入端口,用作雙狀態的事件的檢測— 例如水、煙霧、玻璃破碎檢測,門接觸等。
應用領域:
- 溫度和濕度控制
- 用于溫度,濕度,壓力和3路二進制信號監測:
- 服務器機房
- 通信設備
- 倉庫和溫室
- 生產商
- 博物館、檔案館和圖書館
- 空氣調節, HVAC
- 氣象站
| 通用技術參數 |
繼電器最大的轉換電流、電壓
和功率:
|
220Vdc, 125Vac, 2A, 60 W, 62.5 VA |
| 支持溫度單位: |
攝氏溫度,華氏溫度 |
| 溫度測量精度: |
±0.4°C from -30 to +100°C, ±0.4% from reading over +100°C |
| 濕度測量范圍: |
0 to 100% |
| 相對濕度的精度: |
±2.5% 相對濕度從 5 to 95% at 23°C |
| 溫度測量精度: |
±0.4°C from -30 to +100°C
±0.4% from reading over +100°C |
| 露點溫度的精度和測量范圍: |
±1,5 °C 環境溫度下 T < 25°C and RH>30%
范圍 -60 to +80 °C |
絕對濕度的精度和測量范圍:
|
±3g/m3 環境溫度下 T < 40°C
范圍 0 to 400 g/m3 |
| 比濕的精度測量范圍: |
±2g/kg 環境溫度下 T < 35°C
范圍 0 to 550 g/kg |
| 混合比的精度測量范圍: |
±2g/kg 環境溫度下 T < 35°C
范圍 0 to 995 g/kg |
| 比焓的精度測量范圍: |
± 3kJ/kg 環境溫度下 T < 25°C
范圍: 0 to 995 kJ/kg |
帶電子設備的機箱的工作溫度
范圍: |
-30 to +80°C |
| LCD顯示器的工作溫度: |
可讀到 +70°C, 推薦超過 +70°C時關閉顯示器 |
相對濕度傳感器補償的溫度
范圍: |
-30 to +125°C |
| 二進制輸入信號
: |
低電平電壓,開路集電極或雙態電壓信號. 輸入不是電氣隔離的 |
| 最短二進制輸入脈沖: |
500 ms (更短的脈沖可能不被記錄) |
| 開路電壓: |
3.3 V |
| 低電平電壓: |
0 to +0.2 V |
| 高電平電壓: |
+3.0 to +30V |
| 傳感器保護罩過濾能力: |
0.025mm - 不銹鋼過濾網 |
| 保護: |
IP65 帶終端的電子設備
IP40 濕度和溫度傳感器 |
| 電源: |
9-30Vdc |
| 機箱尺寸: |
135 x 136 x 45 mm (W x H x D) |
| 質保: |
2 年 |
型號 |

H3020
測量值: 溫度+濕度
最大測量范圍:-30 to +80°C
柄長:75mm
輸出:2x繼電器
描述:室內外都可使用
|
|
H3023
測量值:溫度+濕度
最大測量范圍:-30 to +125°C*
柄長:150mm
輸出:2x繼電器
描述:風管式安裝 |
|
|
|
H3021
測量值:溫度+濕度
最大測量范圍:-30 to +105°C* 探頭帶線纜
柄長:探頭線長 1,2,4m
輸出:2x繼電器
描述:硬化電鍍鋁合金T+RH探頭,帶1m線纜,線纜長度2m和4m可選 |
|
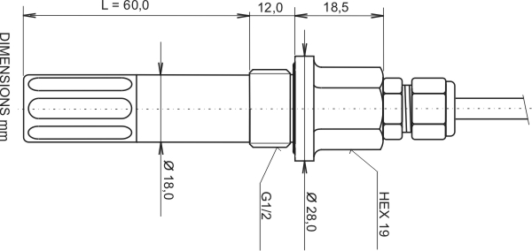
H3021P
測量值:溫度+濕度
最大測量范圍:-30 to +105°C* 探頭帶線纜。壓縮空氣達到 20 巴
柄長:探頭線長 1,2,4m
輸出:2x繼電器
描述:硬化電鍍鋁合金T+RH探頭,帶1m線纜,線纜長度2m和4m可選

|
* 如圖表所示,相對濕度在溫度超過+85°C時會受到限制,帶電子設備的機箱周圍的最大溫度為 +80°C
圖示: Humidistat工作范圍

圖示:H3021P 濕度探頭適用于壓縮空氣達到20巴
- 硬化電鍍鋁合金,不銹鋼過濾網澆鑄在聚碳酸樹脂中
包含附件:
生產商的校準證書,說明書,校準證書獲得計量機構認證,符合EN ISO/IEC 17025 標準
校準證書實例
用于配置傳送器的免費程序 TSensor 可隨時下載.
為了通過RS485總線同時從不同的傳送器采集數據,需要使用第3方軟件,已測試的函數性軟件包括:
LabVIEW, TIRS.NET, ControlWeb, EasyView.
其它類似產品:
其它繼電器輸出變送器 >
|