NXSTK 50-FB
CC-Link、DeviceNet和PROFIBUS接口的netSTICK
僅用于實驗室研發及測試
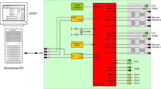
網絡控制器netX 50以32位ARM為CPU核,主頻200MHz,能提供高處理性能和所有主流現場總線和實時以太網系統的控制功能。netX 50具有內部雙端口內存DPM,能夠直接連接到主機系統中作為通訊接口,而無需額外的元器件。再結合相應的協議堆棧和實時操作系統內核,整個系統的功能就能很容易實現,且無開發風險。
開發一套系統或在原有系統上增加某種功能,使用netSTICK是最簡單、最便宜的解決方案。netSTICK集成了某種協議的通訊接口和8MByte的內存,具有實時以太網、PROFIBUS、DeviceNET或CC-Link接口系列產品。netSTICK可直接連接到PC機的USB接口上,已集成Debug調試接口,并且還提供Hitex公司的開發環境HiTOP。提供的開發指南包含:相關術語解釋,相關技術背景信息,基于rcX實時操作系統如何編寫應用程序,如何加載某種協議堆棧并如何實現等。開發環境HiTOP包含了GNU編譯器,友好的開發調試環境,無代碼大小限制,并且可以通過HiTOP下載到netSTICK中進行測試。
“netX Configuration and Diagnostic Utility”程序以源碼的形式來提供,允許將netSTICK作為一個簡單的IO設備,不僅支持某種網絡通訊協議,還帶有16路輸入輸出。
優點
- 低成本的集成CC-Link, DeviceNet和PROFIBUS的netX目標系統
- 集成Debug接口
- HiTOP軟件開發與調試環境
- 基于netX的網絡協議和應用的開發測試
- 價格合理、易于操作而且極其完整
- 詳細的開發指南


| 產品
|
| NXSTK 50-FB |
| 描述 |
 |
CC-Link,DeviceNet和PROFIBUS接口的netSTICK
僅用于實驗室研發及測試 |
| |
| |
| 顯示 |
 |
LED系統指示燈
LED通訊指示燈 |
| CPU |
 |
netX 50 |
| 存儲設備 |
 |
8 MB SDRAM |
| 輸出 |
 |
Out 0-3,LED |
| PC接口 |
 |
USB Device V1.1 / Type A |
| 通訊接口 1 |
 |
CC-Link,螺旋連接頭,5針
DeviceNet,螺旋連接頭,5針
PROFIBUS-DP,DSub連接頭,母,9 pin |
| 操作電壓 |
 |
+5V/500 mA,通過USB供電 |
| 操作溫度 |
 |
0 °C - 55 °C |
| 尺寸(L x W x H) |
 |
110 x 34 x 14 mm |
|
|
產品樣本
|