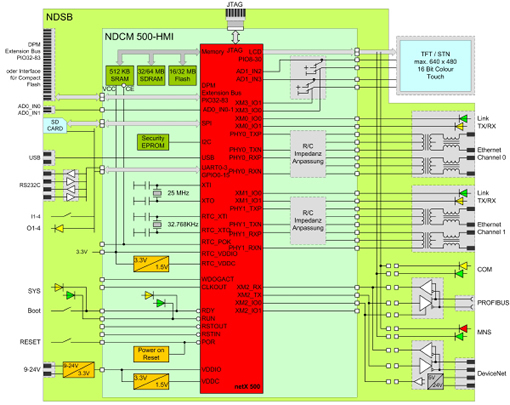
NDCM 500-HMI
netX DIMM模塊起步開發板
基于DIMM-PC標準的netDIMM模塊,其工業通訊技術使用netX網絡控制器。它是開發具有現場總線和實時以太網接口自動化設備的最簡單解決方案。
netDIMM模塊集成了內存、振蕩器、復位發生器和DC/DC轉換器,只有以太網或現場總線的物理接口需要外部提供。
它也可用于HMI的開發,內部集成了LCD和觸摸屏控制器。由于netDIMM模塊支持軟鍵、SD/MMC卡和USB,而且支持Windows CE和Linux操作系統,這樣開發一個終端設備就很容易了。
Starter開發板可用于開發測試。netDIMM Starter開發板具有以太網、PROFIBUS和DeviceNet接口,RS232,USB和JTAG連接器。通過扁平帶狀電纜的連接就可以使用DIMM模塊的擴展總線。該Starter開發板中也包含了供給電源電路。
結合上述的功能塊,該Starter開發板能夠滿足首次開發和應用程序調試的需求。另外,如果用于HMI的開發,該板可外接TFT顯示屏和SD/MMC卡。
優點
- netX500,集成ARM 926EJ-S,主頻200MHz
- 32/64 MB SDRAM
- 16/32 MB Flash
- 512 KB SRAM
- LCD和觸摸屏控制器
- USB
- UART
- SPI接口
- 2個實時以太網端口,集成Switch和Hub
- EtherNet/IP, EtherCAT, SERCOS III, Powerlink, PROFINET
- 現場總線控制器 支持CANopen, DeviceNet, PROFIBUS / MPI
- 板級支持包 支持Windows CE, Linux, VxWorks, rcX實時內核
- DIMM-PC標準尺寸

| 產品
|
| NDCM 500-HMI |
| 描述 |
 |
netX DIMM Module Starter Board |
| |
| |
| CPU |
 |
基于ARM926EJ-S的netX,系統時鐘200MHz |
| 存儲設備 |
 |
16/32 MB Flash
32/64 MB SDRAM
512 KB SRAM
外部緩沖 |
| 顯示接口 |
 |
640X480, 16位彩色TFT/STN |
| 接口 |
 |
USB 1.1接口
3個UART 或16個GPIO
JTAG
SPI |
| AD轉換器 |
 |
10位
1MS/S
2通道
S&H |
| 2個以太網端口 |
 |
10BASE-T/100BASE-TX,集成PHY,IEEE 1588
EtherCAT,具有3個FMMU和4個SyncManager
EtherNet/IP
Powerlink,集成Hub,響應延遲最大1μs
PROFINET,集成Switch |
| 現場總線控制器 |
 |
CANopen
DeviceNet
PROFIBUS |
| 擴展 |
 |
雙端口內存
擴展總線或52個IO |
| 尺寸(L x W x H) |
 |
67.6 x 40 mm,DIMM標準 |
| 操作溫度 |
 |
-25 ... 55° C |
| 操作電壓 |
 |
3.3 V / max. 750 mA |
|
|
產品樣本
|