加速度傳感器 3ACCF
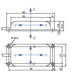
加速度傳感器3ACCF,測量X,Y和Z軸的加速度。該傳感器裝在一個殼體內,通過線纜和MSR記錄儀連接。該傳感器外殼上有4個安裝孔很容易固定。
3ACCF-RS232 2g
| 傳感器類型: |
ADXL202AE |
 |
| 測量參數: |
加速度(3維) |
| 測量范圍: |
±2g |
| 分辨率: |
0.001g |
| 精度: |
0.02g (25 °C) |
| 項目編號: |
B10137 |
3ACCF-RS232 10g
| 傳感器類型: |
ADXL210AE |
 |
| 測量參數: |
加速度(3維) |
| 測量范圍: |
±10g |
| 分辨率: |
0.01g |
| 精度: |
0.1g (25 °C) |
| 項目編號: |
B10132 |
常規
| 介質: |
空氣 |
 |
| 尺寸: |
見右圖 |
| 線纜長度: |
2 m |
| 重量不含線纜: |
大約15 g |
| 電接頭: |
MSR記錄儀插頭
RS232插座 |
| 電源: |
MSR記錄儀供電 |
材料:
傳感器殼: |
環氧, ABS |
工作條件:
溫度:
濕度: |
-20 °C to +70 °C
0-95 %相對濕度, non-condensing |
存放條件:
溫度:
濕度: |
-20 °C to +70 °C
0-95 %相對濕度, non-condensing |
| 特點: |
校準系數存儲在EEPROM |
需要的附加模塊:
|
3ACCF (項目編號B10103) |
其它傳感器 >>>
|